Logo
Explore Help
Register Sign In
LCI/BNA8
10
0
Fork 0
You've already forked BNA8
Code Issues Pull Requests Actions Packages Projects Releases Wiki Activity
BNA8/.resources/e06b9b7afbfc57ea9759cad9db167661075ea527577cb7a88e709bac22658488
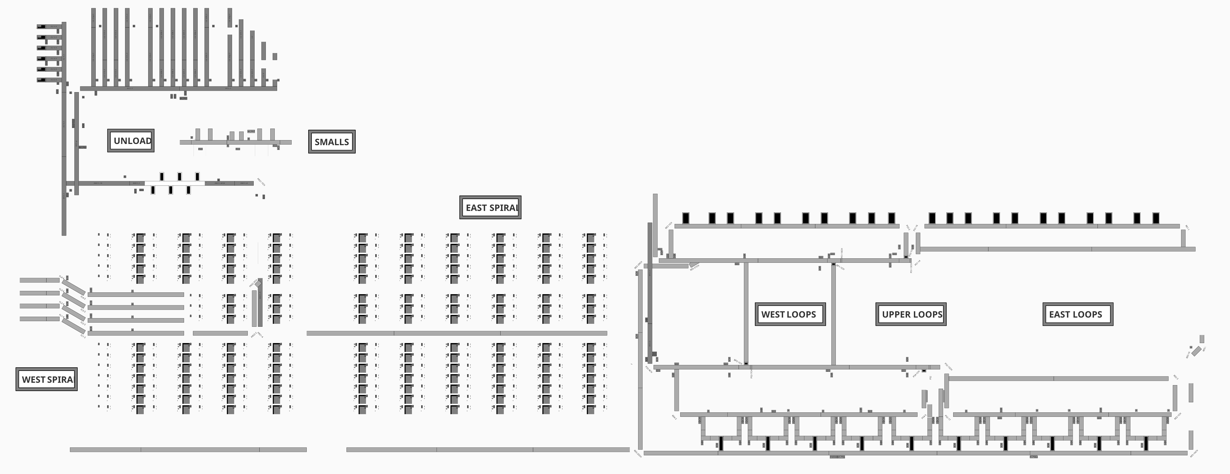
Salijoghli 48dc3a54a1 alot new changes. major: statistics page. showing data from 1000 tags. updated db tables scripts. added labels on the conveyors and chutes. fixed chute pe not showing colors correclty. fixed device mapping function not displaying LRPE status correctly. New queries for the statistics page
2025-11-21 16:44:18 +04:00

384 KiB
4150x1600px
Raw History

Powered by Gitea Version: 1.23.6 Page: 50ms Template: 4ms
English
Bahasa Indonesia Deutsch English Español Français Gaeilge Italiano Latviešu Magyar nyelv Nederlands Polski Português de Portugal Português do Brasil Suomi Svenska Türkçe Čeština Ελληνικά Български Русский Українська فارسی മലയാളം 日本語 简体中文 繁體中文(台灣) 繁體中文(香港) 한국어
Licenses API